Carrito
No hay más artículos en su carrito
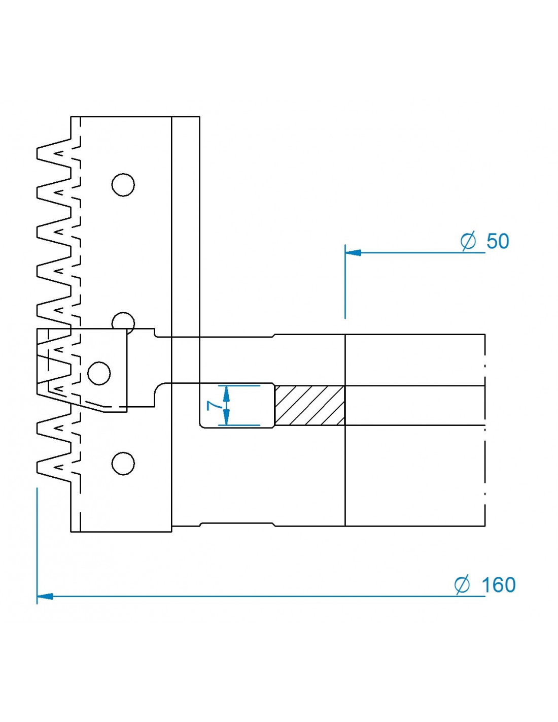
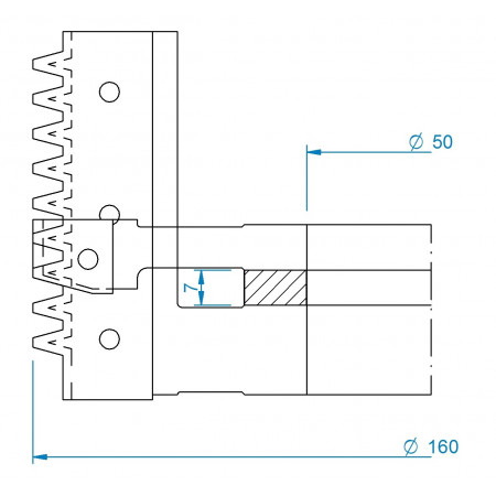
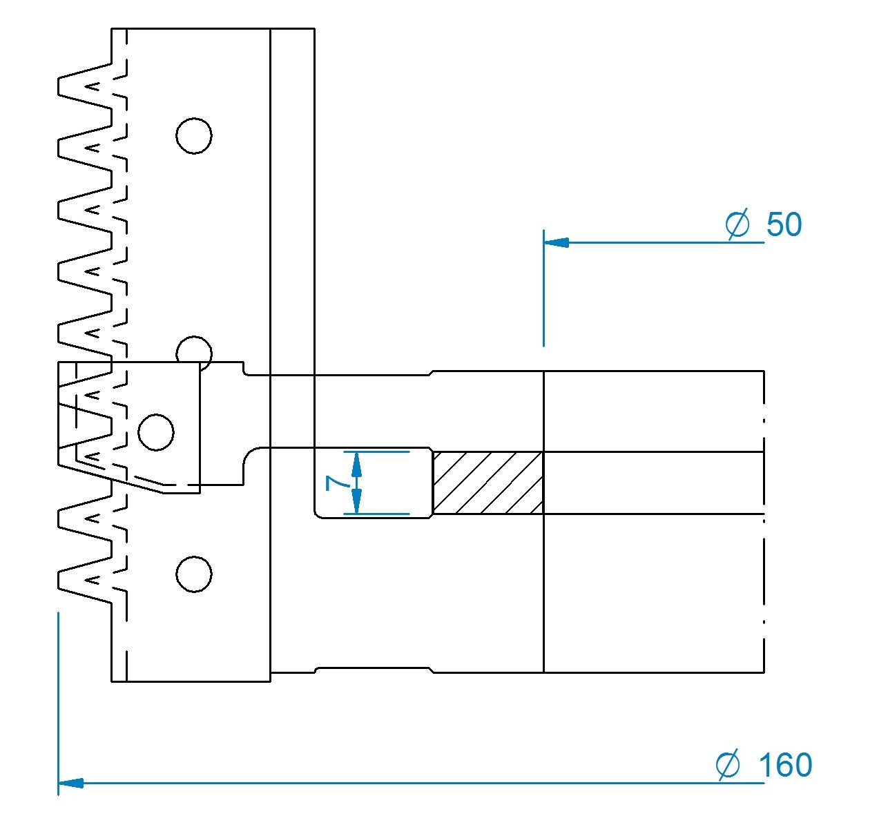
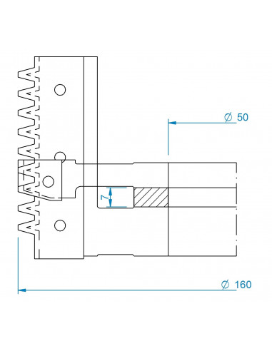
214 - Cuchillas 214-1 de 74x24x2 mm.
52,88 €
62,21 €

